產品名稱:CH-LPE8G單點式稱重傳感器
產品特點:CH-LPE8G單點式稱重傳感器為單點承載結構,產品結構形式簡單,使用方便,通過四角調整保證其在規定的受載平面內各點輸出一致。CH-LPE8G鋼制平行梁稱重傳感器采用金屬外殼防護。適用于包裝秤、電子皮帶秤及配料秤等。
量程:500N(50kg)、1 kN(100kg)、1.5 kN(150kg)、2 kN(200kg)、3 kN(300kg)、5 kN(500kg)、7 kN(700kg)、10 kN(1000kg)
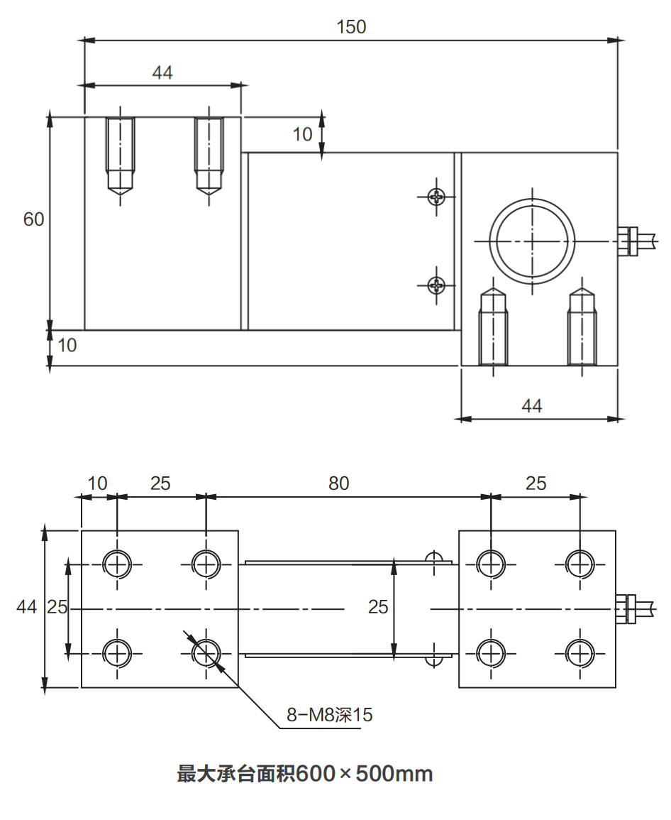
外形尺寸:
技術參數:
|
CH-LPE8G 技術參數 |
|
|
|
|
額定輸出 |
2.0mV/V±10% |
輸入阻抗 |
410±15Ω |
|
非線性 |
±0.02%F.S |
輸出阻抗 |
350±5Ω |
|
滯后性 |
<±0.02%F.S |
絕緣電阻 |
≥5000MΩ |
|
重復性 |
<±0.02%F.S |
允許激勵電壓 |
5~15V/DC |
|
蠕變 |
<±0.02%F.S/30min |
補償溫度范圍 |
-10℃~+40℃ |
|
零點溫度影響 |
<±0.02%/10℃ |
工作溫度范圍 |
-30℃~+70℃ |
|
輸出溫度影響 |
<±0.02%/10℃ |
安全過載 |
150%F.S |
|
零點平衡 |
<±1%F.S |
極限過載 |
200%F.S |
|
接線方式 |
激勵:+紅 -黑 信號:+綠 -白 屏蔽:黃 |
||






全國服務熱線







15621850939
2370849295@qq.com
2370849295
山東省濟南市市中區二環西路大廟屯工業園