產品名稱:CH-SJTT輪輻式測力傳感器
產品特點:CH-SJTT輪輻式測力傳感器采用優質不銹鋼材質或優質鋁合金材質(200kg),具有高精度,高穩定性,低外形,安裝簡便、快速等特點。適用于試驗機,可做拉壓雙向使用。
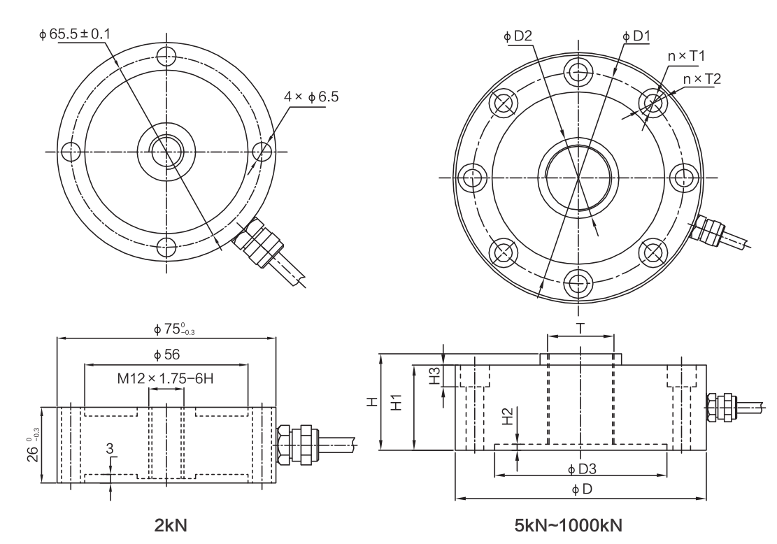
量程:2kN(200kg)、5kN(500kg)、10 kN(1t)、15 kN(1.5t)、20 kN(2t)、25 kN(2.5t)、30 kN(3t)、50 kN(5t)、100 kN(10t)、200 kN(20t)、300 kN(30t)、500kN(50t)、1000kN(100t).
外形尺寸:
|
量程(kN) |
|
D |
D1 |
D2 |
D3 |
H |
H1 |
H2 |
H3 |
T |
n*T1 |
n*T2 |
|
5-10 |
mm |
90 |
78 |
22 |
65 |
40 |
43 |
3.0 |
6 |
M12x1.75 |
8xφ6.6 |
8xφ10.5 |
|
15-25 |
mm |
105 |
89 |
32 |
75 |
35 |
32 |
3.0 |
7.2 |
M16x2 |
8xφ7.2 |
8xφ10.5 |
|
50-100 |
mm |
138 |
110 |
44 |
88 |
46 |
41 |
3.0 |
12 |
M27x2 |
8xφ13.2 |
8xφ19 |
|
200-300 |
mm |
165 |
130 |
55 |
96 |
50 |
41 |
3.0 |
20 |
M36x2 |
8xφ21 |
8xφ31 |
|
500 |
mm |
234 |
194 |
-- |
150 |
60 |
55 |
4.7 |
22 |
M52x2 |
16xφ21 |
16xφ32 |
|
1000 |
mm |
258 |
218 |
-- |
174 |
60 |
57 |
3.0 |
22 |
M76x2 |
16xφ21 |
16xφ32 |
技術參數:
|
技術參數 |
|
|
|
|
額定輸出 |
3.0mV/V±0.003 |
輸入阻抗 |
385±10Ω |
|
非線性 |
±0.05%F.S |
輸出阻抗 |
351±3Ω |
|
滯后性 |
<±0.05%F.S |
絕緣電阻 |
≥5000MΩ |
|
重復性 |
<±0.05%F.S |
允許激勵電壓 |
5~15V/DC |
|
蠕變 |
<±0.05%F.S/30min |
補償溫度范圍 |
-10℃~+40℃ |
|
零點溫度影響 |
<±0.03%/10℃ |
工作溫度范圍 |
-30℃~+70℃ |
|
輸出溫度影響 |
<±0.03%/10℃ |
安全過載 |
120%F.S |
|
零點平衡 |
<±1%F.S |
極限過載 |
150%F.S |
|
接線方式 |
激勵:+紅 -黑 信號:+綠 -白 屏蔽:黃粗 |
||






全國服務熱線






15621850939
2370849295@qq.com
2370849295
山東省濟南市市中區二環西路大廟屯工業園